

The AD627 is a low-cost, precision instrumentation amplifier designed for high accuracy and low noise applications. It is particularly well-suited for amplifying small differential signals in noisy environments due to its high common-mode rejection ratio (CMRR) and low offset voltage. The AD627 is compact, easy to use, and offers excellent performance, making it a popular choice for a wide range of applications.








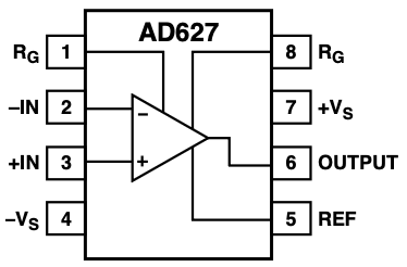
The AD627 is available in an 8-pin package. The pinout and descriptions are as follows:
| Pin Number | Pin Name | Description |
|---|---|---|
| 1 | RG | Gain resistor connection. Connect an external resistor to set the gain. |
| 2 | -IN | Inverting input of the amplifier. |
| 3 | +IN | Non-inverting input of the amplifier. |
| 4 | -VS | Negative power supply (or ground for single-supply operation). |
| 5 | REF | Reference voltage input. Sets the output reference voltage. |
| 6 | OUT | Amplifier output. |
| 7 | +VS | Positive power supply. |
| 8 | RG | Gain resistor connection. Connect an external resistor to set the gain. |
The AD627 can be used to amplify small sensor signals for an Arduino UNO. Below is an example of interfacing the AD627 with a thermocouple:
// Example code to read amplified signal from AD627 using Arduino UNO
const int analogPin = A0; // Analog pin connected to AD627 OUT pin
float voltage = 0.0; // Variable to store the measured voltage
float referenceVoltage = 5.0; // Arduino reference voltage (5V for default)
void setup() {
Serial.begin(9600); // Initialize serial communication
}
void loop() {
int adcValue = analogRead(analogPin); // Read ADC value (0-1023)
// Convert ADC value to voltage
voltage = (adcValue / 1023.0) * referenceVoltage;
// Print the measured voltage to the Serial Monitor
Serial.print("Measured Voltage: ");
Serial.print(voltage, 3); // Print voltage with 3 decimal places
Serial.println(" V");
delay(500); // Wait for 500 ms before the next reading
}
No Output Signal:
Output Clipping:
Excessive Noise:
Incorrect Gain:
Q: Can the AD627 operate with a single power supply?
A: Yes, the AD627 can operate with a single supply voltage ranging from 4.6 V to 36 V. Connect the -VS pin to ground in single-supply configurations.
Q: What is the maximum gain I can achieve with the AD627?
A: The maximum gain is 1000, which can be achieved by using an appropriate external resistor for RG.
Q: How do I minimize offset voltage errors?
A: Use precision resistors for gain setting and ensure the REF pin is connected to a stable reference voltage.
Q: Can I use the AD627 for AC signals?
A: Yes, the AD627 can amplify AC signals. However, ensure proper coupling capacitors are used if needed.