

The RP0505S is a compact and efficient DC-DC converter designed to step down voltage from a higher input level to a stable 5V output. This component is widely used in applications requiring reliable power conversion with minimal energy loss and heat generation. Its small form factor and high efficiency make it ideal for embedded systems, industrial automation, IoT devices, and portable electronics.








| Parameter | Value | 
|---|---|
| Input Voltage Range | 4.5V to 9V | 
| Output Voltage | 5V (regulated) | 
| Output Current | Up to 1A | 
| Efficiency | Up to 85% | 
| Operating Temperature | -40°C to +85°C | 
| Package Type | SIP-4 (Single Inline Package) | 
| Isolation Voltage | 1kV DC | 
| Pin Number | Pin Name | Description | 
|---|---|---|
| 1 | +Vin | Positive input voltage (4.5V to 9V) | 
| 2 | -Vin | Negative input voltage (ground) | 
| 3 | +Vout | Positive regulated output voltage (5V) | 
| 4 | -Vout | Negative regulated output voltage (ground) | 
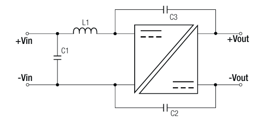
+Vin and -Vin pins. Ensure the input voltage is within the specified range to avoid damage to the component.+Vout and -Vout pins. The load should not exceed the maximum output current of 1A.The RP0505S can be used to power an Arduino UNO from a 6V battery. Below is an example circuit and Arduino code to blink an LED.
+Vin and -Vin pins of the RP0505S.+Vout pin to the Arduino UNO's 5V pin and the -Vout pin to the GND pin.// Simple LED Blink Example
// This code blinks an LED connected to pin 13 of the Arduino UNO.
void setup() {
  pinMode(13, OUTPUT); // Set pin 13 as an output pin
}
void loop() {
  digitalWrite(13, HIGH); // Turn the LED on
  delay(1000);            // Wait for 1 second
  digitalWrite(13, LOW);  // Turn the LED off
  delay(1000);            // Wait for 1 second
}
No Output Voltage:
Overheating:
Output Voltage Instability:
Component Damage:
Q1: Can the RP0505S be used with a 12V input?
A1: No, the maximum input voltage is 9V. Using a 12V input may damage the component.
Q2: Is the RP0505S suitable for powering sensitive analog circuits?
A2: Yes, but ensure proper filtering with capacitors to minimize noise.
Q3: Can I use the RP0505S in a high-temperature environment?
A3: The RP0505S operates reliably within -40°C to +85°C. Ensure adequate cooling if used near the upper temperature limit.