Cirkit Designer Logo
Cirkit Designer
Your all-in-one circuit design IDE
Home / 
Component Documentation

How to Use 74LS245: Examples, Pinouts, and Specs

Image of 74LS245
Cirkit Designer LogoDesign with 74LS245 in Cirkit Designer

Introduction

The 74LS245 is a high-speed, low-power octal bus transceiver manufactured by Texas Instruments. It is designed to allow bidirectional data transmission between two buses, making it ideal for applications requiring data buffering or bus interfacing. The device features three-state outputs, enabling multiple devices to share the same bus without interference. Its robust design ensures reliable operation in digital systems.

Explore Projects Built with 74LS245

Use Cirkit Designer to design, explore, and prototype these projects online. Some projects support real-time simulation. Click "Open Project" to start designing instantly!
STM32-Controlled LED Display with 74HC595 Shift Register and 12-Bit DAC
Image of Harry Stim Breadboard: A project utilizing 74LS245 in a practical application
This circuit uses a 74HC595 shift register to control multiple LEDs via a common ground configuration, with a microcontroller providing serial data input. It includes decoupling capacitors for stability and a 12-Bit DAC, potentially for analog signal generation or reference voltage application.
Cirkit Designer LogoOpen Project in Cirkit Designer
NAND Gate Controlled LED Circuit with Pushbutton and Capacitor
Image of Nand Gate: A project utilizing 74LS245 in a practical application
This circuit is a simple logic-based control system utilizing a SN74LS00N NAND gate IC, a pushbutton, and passive components like resistors, a capacitor, a diode, and an LED. The pushbutton controls the logic inputs to the NAND gates, which in turn drive the LED, indicating the output state of the logic circuit.
Cirkit Designer LogoOpen Project in Cirkit Designer
Teensy 4.1-Based Multi-Channel Potentiometer Interface with 74HC4051 Mux and AMS1117 3.3V Regulator
Image of redrum: A project utilizing 74LS245 in a practical application
This circuit features a Teensy 4.1 microcontroller interfaced with a SparkFun 74HC4051 8-channel multiplexer to read multiple rotary potentiometers. The AMS1117 3.3V voltage regulator provides a stable 3.3V supply to the multiplexer and potentiometers, while electrolytic and ceramic capacitors are used for power supply filtering and stabilization.
Cirkit Designer LogoOpen Project in Cirkit Designer
Digital Logic State Indicator with Flip-Flops and Logic Gates
Image of 2-bit Gray Code Counter: A project utilizing 74LS245 in a practical application
This circuit is a digital logic system that uses a DIP switch to provide input to a network of flip-flops and logic gates, which process the input signals. The output of this processing is likely indicated by LEDs, which are connected through resistors to limit current. The circuit functions autonomously without a microcontroller, relying on the inherent properties of the digital components to perform its logic operations.
Cirkit Designer LogoOpen Project in Cirkit Designer

Explore Projects Built with 74LS245

Use Cirkit Designer to design, explore, and prototype these projects online. Some projects support real-time simulation. Click "Open Project" to start designing instantly!
Image of Harry Stim Breadboard: A project utilizing 74LS245 in a practical application
STM32-Controlled LED Display with 74HC595 Shift Register and 12-Bit DAC
This circuit uses a 74HC595 shift register to control multiple LEDs via a common ground configuration, with a microcontroller providing serial data input. It includes decoupling capacitors for stability and a 12-Bit DAC, potentially for analog signal generation or reference voltage application.
Cirkit Designer LogoOpen Project in Cirkit Designer
Image of Nand Gate: A project utilizing 74LS245 in a practical application
NAND Gate Controlled LED Circuit with Pushbutton and Capacitor
This circuit is a simple logic-based control system utilizing a SN74LS00N NAND gate IC, a pushbutton, and passive components like resistors, a capacitor, a diode, and an LED. The pushbutton controls the logic inputs to the NAND gates, which in turn drive the LED, indicating the output state of the logic circuit.
Cirkit Designer LogoOpen Project in Cirkit Designer
Image of redrum: A project utilizing 74LS245 in a practical application
Teensy 4.1-Based Multi-Channel Potentiometer Interface with 74HC4051 Mux and AMS1117 3.3V Regulator
This circuit features a Teensy 4.1 microcontroller interfaced with a SparkFun 74HC4051 8-channel multiplexer to read multiple rotary potentiometers. The AMS1117 3.3V voltage regulator provides a stable 3.3V supply to the multiplexer and potentiometers, while electrolytic and ceramic capacitors are used for power supply filtering and stabilization.
Cirkit Designer LogoOpen Project in Cirkit Designer
Image of 2-bit Gray Code Counter: A project utilizing 74LS245 in a practical application
Digital Logic State Indicator with Flip-Flops and Logic Gates
This circuit is a digital logic system that uses a DIP switch to provide input to a network of flip-flops and logic gates, which process the input signals. The output of this processing is likely indicated by LEDs, which are connected through resistors to limit current. The circuit functions autonomously without a microcontroller, relying on the inherent properties of the digital components to perform its logic operations.
Cirkit Designer LogoOpen Project in Cirkit Designer

Common Applications and Use Cases

  • Microcontroller and microprocessor bus interfacing
  • Memory address/data bus buffering
  • Bidirectional data transfer in digital systems
  • Signal isolation and level shifting
  • Multiplexed data communication

Technical Specifications

Key Technical Details

  • Supply Voltage (Vcc): 4.75V to 5.25V
  • Input Voltage (VI): 0V to 7V
  • Output Voltage (VO): 0V to 5.5V
  • High-Level Input Current (IIH): 20 µA (max)
  • Low-Level Input Current (IIL): -0.4 mA (max)
  • Output Current (IO): ±24 mA
  • Propagation Delay (tpd): 12 ns (typical)
  • Operating Temperature Range: 0°C to 70°C
  • Power Dissipation: 500 mW (max)

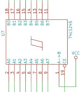
Pin Configuration and Descriptions

The 74LS245 is an 8-bit transceiver with 20 pins. Below is the pinout and description:

Pin Number Pin Name Description
1 DIR Direction control: Determines the direction of data flow (A ↔ B).
2-9 A1-A8 Data bus A: 8-bit data input/output bus.
10 GND Ground: Connect to system ground.
11-18 B1-B8 Data bus B: 8-bit data input/output bus.
19 /OE Output Enable (active low): Enables or disables the outputs.
20 Vcc Power supply: Connect to +5V.

Truth Table

The following table summarizes the operation of the 74LS245:

/OE DIR Operation
Low Low Data flows from Bus B to Bus A
Low High Data flows from Bus A to Bus B
High X High-impedance state (disabled)

Usage Instructions

How to Use the 74LS245 in a Circuit

  1. Power Supply: Connect the Vcc pin to a regulated +5V power supply and the GND pin to ground.
  2. Direction Control (DIR): Use the DIR pin to set the direction of data flow:
    • Logic LOW (0): Data flows from Bus B to Bus A.
    • Logic HIGH (1): Data flows from Bus A to Bus B.
  3. Output Enable (/OE): Use the /OE pin to enable or disable the outputs:
    • Logic LOW (0): Enables the outputs for data transfer.
    • Logic HIGH (1): Disables the outputs, placing them in a high-impedance state.
  4. Data Buses (A1-A8, B1-B8): Connect the data buses to the respective devices or systems. Ensure proper pull-up or pull-down resistors if required.

Important Considerations and Best Practices

  • Avoid Bus Contention: Ensure that only one device drives the bus at a time to prevent damage or data corruption.
  • Bypass Capacitors: Place a 0.1 µF ceramic capacitor close to the Vcc pin to filter noise and stabilize the power supply.
  • Signal Integrity: Use short and properly routed traces to minimize noise and signal degradation.
  • High-Impedance State: Use the high-impedance state to prevent interference when multiple devices share the same bus.

Example: Connecting the 74LS245 to an Arduino UNO

The following example demonstrates how to use the 74LS245 to interface an Arduino UNO with an 8-bit parallel device.

Circuit Connections

  • Connect Vcc to the Arduino's 5V pin and GND to ground.
  • Connect the DIR pin to Arduino digital pin 2.
  • Connect the /OE pin to Arduino digital pin 3.
  • Connect A1-A8 to the Arduino digital pins 4-11.
  • Connect B1-B8 to the 8-bit parallel device.

Arduino Code

// Define pin connections
const int DIR_PIN = 2;  // Direction control pin
const int OE_PIN = 3;   // Output Enable pin

void setup() {
  // Set control pins as outputs
  pinMode(DIR_PIN, OUTPUT);
  pinMode(OE_PIN, OUTPUT);

  // Enable the outputs and set initial direction
  digitalWrite(OE_PIN, LOW);  // Enable outputs
  digitalWrite(DIR_PIN, HIGH); // Set direction: A to B
}

void loop() {
  // Example: Toggle direction every 2 seconds
  digitalWrite(DIR_PIN, HIGH); // Data flows from A to B
  delay(2000);                 // Wait for 2 seconds
  digitalWrite(DIR_PIN, LOW);  // Data flows from B to A
  delay(2000);                 // Wait for 2 seconds
}

Troubleshooting and FAQs

Common Issues and Solutions

  1. No Data Transfer:

    • Ensure the /OE pin is set to LOW to enable the outputs.
    • Verify the DIR pin is correctly set for the desired data flow direction.
    • Check all connections for continuity and proper wiring.
  2. Bus Contention or Data Corruption:

    • Ensure only one device drives the bus at a time.
    • Use pull-up or pull-down resistors if required to stabilize the bus.
  3. High Power Consumption:

    • Check for short circuits or incorrect wiring.
    • Ensure the device is not driving excessive loads beyond its rated current.
  4. Signal Noise or Instability:

    • Add bypass capacitors near the Vcc pin to filter noise.
    • Use shorter traces and proper grounding techniques.

FAQs

Q1: Can the 74LS245 operate at 3.3V?
A1: No, the 74LS245 is designed for a supply voltage range of 4.75V to 5.25V. For 3.3V systems, consider using a level shifter or a compatible transceiver.

Q2: What is the maximum data rate supported by the 74LS245?
A2: The typical propagation delay is 12 ns, allowing for data rates up to approximately 83 MHz under ideal conditions.

Q3: Can I use the 74LS245 for unidirectional data transfer?
A3: Yes, you can fix the DIR pin to a specific logic level to enable unidirectional data transfer.

Q4: How do I connect multiple 74LS245 devices on the same bus?
A4: Use the /OE pin to enable only one device at a time, ensuring no two devices drive the bus simultaneously.